第三方账号快速登录
更新:2025-07-13
分类:笔记本电路图
评论:0
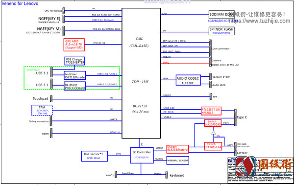
品牌 联想Lenovo
型号 ThinkBook 13s-IML_S540_IML_13_SVT_DIS
图纸类型? 笔记本图纸
图纸内容 笔记本电路原理图
图纸格式 pdf 共82页
版本号 REV V1.3