登录
注册
忘记密码
×
show password
忘记密码?
登录
第三方账号快速登录
show password
show password
注册
用手机找回
用邮箱找回
提交
首页
手机维修
手机电路图
手机点位图
手机维修资料
手机维修手册
刷机解锁
电脑维修
笔记本电路图
笔记本点位图
主板电路图
主板点位图
显卡电路图
显卡点位图
BIOS资料
芯片资料
电脑维修资料
无人机维修
无人机电路图
无人机点位图
无人机维修资料
维修案例
专业软件
社区
搜索
Hello, 登录
个人中心
0
Favorite
收藏夹
清空
下载
下载
文章
搜索
首页
电脑维修
芯片资料
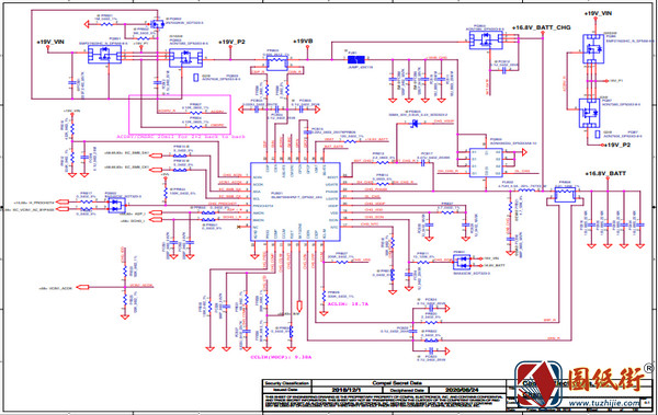
ISL88739a芯片电路原理图
0/0 人
更新:
2024-12-04
分类:
芯片资料
评论:
0
请登录
暂无演示
下载权限
介绍
下载
评论
品牌 Renesas
型号 ISL88739a
图纸类型 笔记本图纸
图纸内容 芯片电路图
图纸格式 PDF
图纸大小 1页
#ISL88739a
#芯片电路图
#芯片原理图
#芯片资料
下载地址
- MB
下载
备用地址
- MB
下载
更多
上一篇
分享链接
分享海报
下一篇
您可能还喜欢
BQ25713 BQ25713B充电器控制器芯片数据手册
37
免费
音频编解码器 Everest ES8336 Low Power Audio CODEC芯片数据手册
49
免费
BQ24735电池管理芯片-锂离子电池充电控制器芯片数据手册
30
免费
EC IO KBC带资料和不带资料芯片表
36
免费
ASP1405I IR35201 VRM电源主控芯片数据手册
176
免费
TPS51225 TPS51225B TPS51225C芯片应用电路原理图纸
51
免费
KB3940芯片应用电路原理图
23
免费
IT8987E芯片应用电路原理图
39
免费
RT8249A/B/C DS8249ABC-02芯片数据手册
153
免费
APL5932A芯片数据手册
209
免费
首页
导航
会员
客服
微信
QQ
微信
邮箱
TOP