第三方账号快速登录
更新:2025-05-09
分类:主板电路图
评论:0
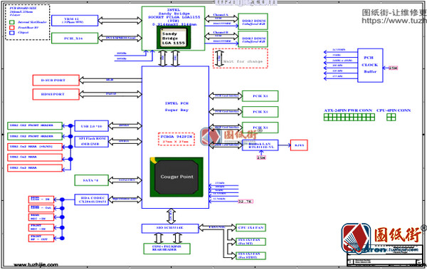
品牌 戴尔Dell
型号 OptiPlex 3010台式机
主板版号 WISTRON MIH61R ROSA MISSION HILLS-SAWGRASS 10097-1 48.3EQ01.011
图纸类型 主板电路图
图纸格式 PDF 共51页
图纸版本号 REV. SA
Model: Mission Hills/Sawgrass
PCB Ver: A00
PCB Number: 10097-1
SCH Ver: 06