第三方账号快速登录
更新:2025-04-15
分类:主板电路图
评论:0
品牌 宏基Acer
型号 Veriton M200 H310
版号 ECS H31H4-AI
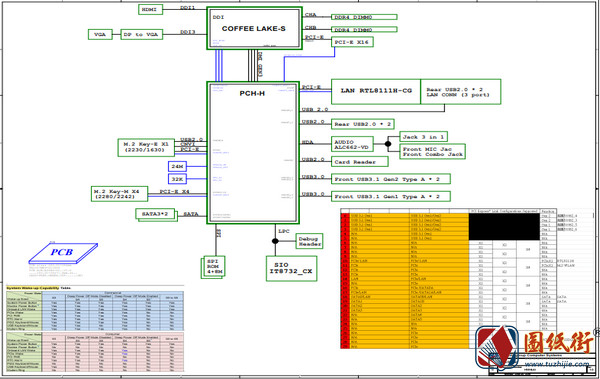
图纸类型 主板图纸
图纸内容 主板电路原理图
图纸格式? PDF 共48页
版本号 Rev 1.0
宏基主板精英代工图纸