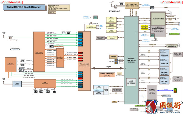
Galaxy M30 SM-M305F三星手机图纸资料-逻辑框图 位号图 维修手册

0/0 人
免费

更新:2025-01-23

分类:手机维修资料

评论:0

 

首页 导航 会员 客服 微信
QQ 微信 邮箱 TOP