1. 基础信息介绍
1.1 产品概述
1.2 小米 9SE 专用焊接治具
1.3小米 9SE 供电转接线
1.4 主板维修注意事项
1.5 刷机方式
1.6 射频校准测试相关
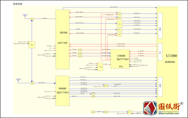
2. 主板模块简介
2.1 小米 9SE 主板元件分布图
2.2 小米 9SE 开机时序简介和关键信号测量表
3. Troubleshooting
3.1 开关机故障
3.1.1 不开机 恒流
3.1.2 不开机 电流不维持
3.1.3 不开机 无电流
3.1.4 不开机 漏电
3.2 重启故障
3.3 死机故障
3.4 信号故障
3.5 SIM 卡故障
3.6 充电故障
3.7 显示故障和触屏故障
3.8 音频故障
3.8.1 扬声器故障
3.8.2 MIC 故障
3.8.3 听筒故障
3.8.4 耳机故障
3.9 WIFI/BT/FM/GPS 故障
3.10 摄像故障
3.11 感应器故障
3.12 指纹识别故障
4. 点胶
4.1小米 9SE 主板点胶元器件的范围
4.2点胶的目的
4.3点胶规范及工具
4.4目检
4.5干燥固化


