第三方账号快速登录
更新:2025-07-14
分类:笔记本电路图
评论:0
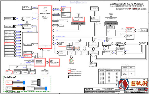
笔记本品牌 联想Lenovo
笔记本型号 ThinkPad T490 T590
主板版号 DRIFT NM-B901
图纸类型 笔记本图纸
图纸内容 笔记本电路图
图纸格式 PDF 共125页
Project Code: FT490/FT590
Dec.4 2018