登录
注册
忘记密码
×
show password
忘记密码?
登录
第三方账号快速登录
show password
show password
注册
用手机找回
用邮箱找回
提交
首页
手机维修
手机电路图
手机点位图
手机维修资料
手机维修手册
刷机解锁
电脑维修
笔记本电路图
笔记本点位图
主板电路图
主板点位图
显卡电路图
显卡点位图
BIOS资料
芯片资料
电脑维修资料
无人机维修
无人机电路图
无人机点位图
无人机维修资料
维修案例
专业软件
社区
搜索
Hello, 登录
个人中心
0
Favorite
收藏夹
清空
下载
下载
文章
搜索
首页
电脑维修
芯片资料
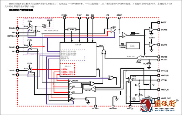
ISL6537主板DDR内存供电控制芯片电路框图针脚封装图电路图
0/0 人
免费
更新:
2025-01-07
分类:
芯片资料
评论:
0
请登录
阅读权限
介绍
评论
隐藏内容 下单可见
#ISL6537
#芯片资料
#芯片电路图
#芯片手册
#芯片数据
更多
上一篇
分享链接
分享海报
下一篇
您可能还喜欢
ASP1405I IR35201 VRM电源主控芯片数据手册
215
免费
TPS51225 TPS51225B TPS51225C芯片应用电路原理图纸
69
免费
KB3940芯片应用电路原理图
31
免费
IT8987E芯片应用电路原理图
48
免费
RT8249A/B/C DS8249ABC-02芯片数据手册
174
免费
IT8225E芯片应用电路原理图扫描件
123
免费
KB9028芯片应用电路原理图
374
免费
it8739芯片应用电路原理图
73
免费
ISL88739a芯片电路原理图
277
免费
IT8712F主板IO芯片-电路框图 针脚封装 典型应用
53
免费
首页
导航
会员
客服
微信
QQ
微信
邮箱
TOP